| 绝缘电阻 | 带电部位和外露非带电金属施加DC500V电压其绝缘电阻应大于100MΩ | |
| 电气强度 | 导电部分与非导电部分金属之间施加AC1500V、50Hz的电压持续1min,或AC50Hz,1875V/1s,应无闪络或击穿现象。 | |
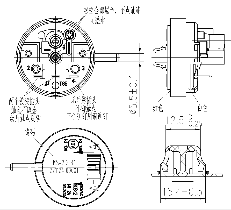
| 水位要求 | 动作水位 | 134±5 |
| 复位水位 | 100±5 | |
| 端子规格 | 0.8mm×6.3mm | |
| 自由跌落 | 在0.3m高处,以任意方向自由落在20mm厚以上的木板上3次,部件在任何方面都不得有损坏,动作无异常。 | |
| 动作稳定 | 动作水位或压力必须符合图纸或技术规格书要求。连续测试10次,其动作压力值偏差小于3mmH2O。 | |
| 高温贮存 | 按GB 2423.2中试验B:非散热试验样品的温度渐变的高温试验方法,水位开关经80±2℃,放置48 h,恢复2 h后,试验后测得高水位的动作压力值应在初期值的±20mmH2O以下。 | |
| 恒定湿热 | 按GB 2423.3规定的方法,将水位开关放置在温度40℃±2℃,相对湿度95%环境下放置48 h后,在箱内直接测导电部分与外露非导电部分之间绝缘电阻应大于2MΩ,经30 min恢复,应符合耐电压、绝缘电阻要求。测得高水位的动作压力值应在初期值的±20mmH2O以下 | |
| 触头寿命 | 选择高水位,按使用状态应能工作20000次以上,应能正常工作。 | |
| 环保要求 | 整个产品符合RoHS 指令2011/65/EU 附录 II的修正指令(EU) 2015/863 | |
| 正常工作使用条件 |
·海拔不超过2500m; ·环境温度最高+50℃,最低0℃; ·相对湿度≤95%; ·安装场所无严重影响电气绝缘的气体、蒸汽、化学性沉积、灰尘污垢及爆炸性侵蚀性介质; ·安装场所应无严重振动或颠簸。 |
|
